|
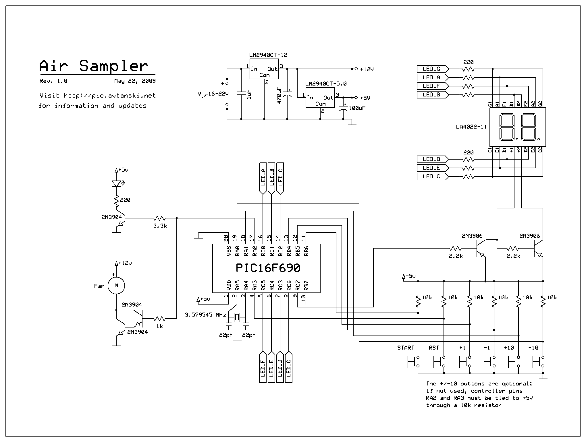
The air sampler is based on my Countdown Timer project, with some minor changes.
I power it from a 15V DC adapter and the LM2940CTs are getting quite hot, especially when the fan is running.
Putting heatsinks on the voltage regulators is a very good idea, unless you live in Canada.
|
|
|